Duct Fitting Dimensions

Standard Fittings For Heating And Air Condition Ductwork Hvac Design Hvac Duct Hvac Air Conditioning

Standard Fittings For Heating And Air Condition Ductwork Hvac Design Hvac Duct Hvac Air Conditioning

Pin On Working

Pin On Working

Kitchen Exhaust Hood Duct Installation Kitchen Exhaust Kitchen Vent Hood Kitchen Range Hood

Kitchen Exhaust Hood Duct Installation Kitchen Exhaust Kitchen Vent Hood Kitchen Range Hood

Air Conditioning System Components Mechanical Room Air Conditioning System Duct Work

Air Conditioning System Components Mechanical Room Air Conditioning System Duct Work

Kitchen Cabinet Mounting Height In 2020 Kitchen Cabinets Height Kitchen Cabinets Kitchen Pantry Cabinets

Kitchen Cabinet Mounting Height In 2020 Kitchen Cabinets Height Kitchen Cabinets Kitchen Pantry Cabinets

Flexible Bend System 150 Flexible Ducting I Sells Rectangular Flexibility Wall Outlets

Flexible Bend System 150 Flexible Ducting I Sells Rectangular Flexibility Wall Outlets

Flexible Bend System 150 Flexible Ducting I Sells Rectangular Flexibility Wall Outlets

Most standard duct sizes for rectangular ducts range from 35 40 inches to 3 7 inches depending on the airflow requirements per cubic foot.

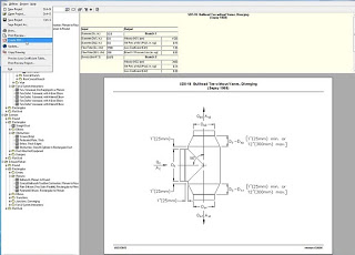
Duct fitting dimensions.

Ft f at 75. Fittings shall be beaded unless duct will have an insulation covering or an acoustical liner. This requirement is applicable to 20 gauge or less in thickness and 3 w g. Frp pipe duct and fittings engineering guide and specifications sixth edition.

10 flanges drilled duct flanges 10 flat face flanges. Since 1921 ershigs inc. This insulation has thermal conductivity of 0 26 btu in hr. Diameter for round ducts ranges from 4 9 inches to around 41 inches.

For eccentric round to rectangular fitting use the custom fitting order sheet. In first case 2 x 2 the perimeter 8 ft and total sheet metal required is 8 x 100 800 sq ft. The dimensions shown on this page are essentially shown as center to end dimensions which apply to both belled end as well as plain end fittings. 4 the surface area and insulation requirements increase 25 percent.

Has been providing industry with quality metal products and dependable. All fittings are fabricated with stiffening beads on duct sizes 19 wide and larger which have more than 10 square feet of unbraced panel. Dual wall duct semco dual wall duct and fittings are made with 1 of fiberglass insulation sandwiched between the outer shell and a solid or perforated inner metal liner. As the aspect ratio increases from 1.

In second case 1 x 4 the perimeter 10 ft and total sheet metal required is 10 x 100 1000 sq ft. Ound duct greater than 2100mm diameter requires uangyih tech engineering review and approval. Most all fittings are fabricated with pittsburgh seams. Section 4 fittings dimensions.

To determine take out dimensions for belled end fittings refer to the bell depths to make appropriate calculations. Dual wall duct is also available in 2 3 and 4 thickness.

Hvac Duct Construction Standards

Hvac Duct Construction Standards

Http Www Tagengineering Ca Wp Content Uploads 2019 01 2 1 Duct Design Pp 1 Pdf

Http Www Tagengineering Ca Wp Content Uploads 2019 01 2 1 Duct Design Pp 1 Pdf

Shower Valve Height Shower Valve Height Awesome Mop Sink Faucet Mounting Height Download By Shower Faucet Ada Bathroom Restroom Accessories Bathroom Appliances

Shower Valve Height Shower Valve Height Awesome Mop Sink Faucet Mounting Height Download By Shower Faucet Ada Bathroom Restroom Accessories Bathroom Appliances

45 Degree Vertical Elbow Bend 220x90mm Plastic Duct Mechanical Ventilation System Flexible Duct Whole House Ventilation

45 Degree Vertical Elbow Bend 220x90mm Plastic Duct Mechanical Ventilation System Flexible Duct Whole House Ventilation

Ashrae Duct Fitting Database Hvac Works

Ashrae Duct Fitting Database Hvac Works

Round Spiral Duct For Hvac Duct Systems Fabricator Fort Worth Tx

Round Spiral Duct For Hvac Duct Systems Fabricator Fort Worth Tx

Https Www Bpala Com Ucla Soph Bpa 50 Submittals 02 Out Submittal 2015890 001 000 Mr Pdf

Https Www Bpala Com Ucla Soph Bpa 50 Submittals 02 Out Submittal 2015890 001 000 Mr Pdf

I Sells Co Uk Supplies 150mm Ducting 6 Inch In White Pvc Plastic Other Special Duct Materials And Finishes Are Available Vent Duct Bathroom Vent Pvc Tube

I Sells Co Uk Supplies 150mm Ducting 6 Inch In White Pvc Plastic Other Special Duct Materials And Finishes Are Available Vent Duct Bathroom Vent Pvc Tube

Toilet Rough In Dimensions Toilet Rough In Bathroom Plumbing Plumbing Installation Plumbing Repair

Toilet Rough In Dimensions Toilet Rough In Bathroom Plumbing Plumbing Installation Plumbing Repair

Pin On System 204 Ducting And Fittings 204x60mm

Pin On System 204 Ducting And Fittings 204x60mm

Pin On Home Repairs

Pin On Home Repairs

Ductwork Basics Hamilton Home Products

Ductwork Basics Hamilton Home Products

Pin On Bathroom

Pin On Bathroom

Pin By Amy Pang On Range Hood Project Kitchen Exhaust Kitchen Ventilation House Ventilation

Pin By Amy Pang On Range Hood Project Kitchen Exhaust Kitchen Ventilation House Ventilation

Pin On Woodworking Dust Control

Pin On Woodworking Dust Control

Round Ceiling Vent 150mm Diffuser Extract Valve Plastic Duct Ceiling Vents Diffuser Valve

Round Ceiling Vent 150mm Diffuser Extract Valve Plastic Duct Ceiling Vents Diffuser Valve

Land Rover Faq Repair Maintenance Series Options Repair And Maintenance Land Rover Repair

Land Rover Faq Repair Maintenance Series Options Repair And Maintenance Land Rover Repair

Hood Ducting Flat Can We Run It Through The Wall To Bathroom External Wall And Combine Boxing With Bathro Kitchen Room Design Kitchen Redesign Kitchen Hoods

Hood Ducting Flat Can We Run It Through The Wall To Bathroom External Wall And Combine Boxing With Bathro Kitchen Room Design Kitchen Redesign Kitchen Hoods

Https Encrypted Tbn0 Gstatic Com Images Q Tbn And9gcrst2s3kgts80jsfjtcovnn 7mgx37qhbel Wuf7odwlmhp6o6n Usqp Cau

Https Encrypted Tbn0 Gstatic Com Images Q Tbn And9gcrst2s3kgts80jsfjtcovnn 7mgx37qhbel Wuf7odwlmhp6o6n Usqp Cau

Source : pinterest.com